RichAuto A18 4 Eksen Cnc Kontrol Terminali
RichAuto A18 4 Eksen Cnc Kontrol Terminali
RichAuto A11 3 Eksen Cnc Kontrol Terminali
RichAuto A11 3 Eksen Cnc Kontrol Terminali
RichAuto A11 3 Eksen Cnc Kontrol Terminali

RichAuto A18 4 Eksen Cnc Kontrol Terminali (DSP-A18)

İndirim Oranı : %63 İndirim
KDV Dahil : 65.520,00 TL
İndirimli : 20.160,00 TL  + KDV
KDV Dahil : 24.192,00 TL

Orjinal RichAuto Marka A18 Modeli.

4 Eksen Cnc Router Makinenizi Kolayca Kontrol Edebilirsiniz..

Step ve Servo Motorlarla Uyumludur.

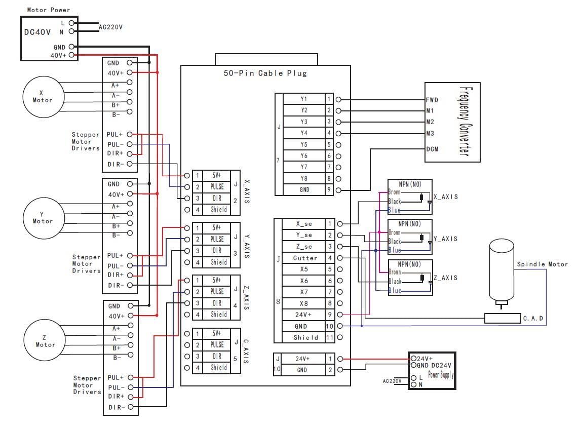
Takım içinde Dsp Panel, Kontrol Kartı, Kablo bulunmaktadır.

Cnc yi Kontrol etmek için tek başına yeterlidir. Bilgisayara gerek yoktur.

 TEKNİK DÖKÜMAN

 

 

Product Feature

  •  4 axis linkage motion control mode.
  •  Standard configure 8I/O interface board.
  •  Support 9 workpiece coordinates, 8 breakpoints storage positions.
  •  Support mobile calibration & fixed calibration, Tool setting position and speed are configurable.
  •  Support free mark for rotary axis (choose A, B, C)
  •  The fourth axis can be set as a normal axis or a rotary axis.
  •  HIGH/LOW manual speed switching, fine adjusting and distance setting.
  •  Offer system alarms for XYZ axis drivers, inverter, E-stop switch and hard limits.
  •  Support tool broken continue, breakpoint resume, Intelligent power failure recovery.
  •  Support special processing requirements such as array work, mill plane, zoom and part work
  •  Stop position and status can be set as user’s requested.

Product Parameters

Product Model RichAuto----A18
CPU DSP
Internal Memory 512MB
Display Screen 128*64 Monochrome LCD
Communication Port U disk、USB cable
Controlled Axis Number 3 axis
Control Signal differential signal
Drive System step motor/servo motor
Min.Input Unit 0.001mm
No Volt Protection support
Breakpoint Processing Function support
External Power Supply Voltage 24V DC
Manual Mode Continuous、point move、distance
Interpolation Way line、arc、curve
Soft/Hard Limit support
Max. Pulse Frequency 1M/S
Password Protection support
Support Language simple Chinese/traditional Chinese、English、other languages
Standard Configuration (1) DSP Handle;(1) 50 core cable (1)USB cable; (1)8 I/O Wiring board;(1) data CD

 

 

cultureSettings.RegionId: 0 cultureSettings.LanguageCode: TR